B-1 z dopiskiem. Czy dotyczy rowerzystów?

Tu możecie podzielić się uwagami lub wątpliwościami związanymi z poruszaniem się na drogach

Moderatorzy: dylek, ella, klebek

B-1 z dopiskiem. Czy dotyczy rowerzystów?

Postprzez mp0011 » środa 03 stycznia 2018, 21:26

Czy za taki znak wolno wjechać rowerem?

Obrazek

Dopisek pod znakiem:
"Droga leśna, wjazd samochodem jest złamaniem prawa"
  • Zakręt - jazda łukiem, niezależnie od jego promienia, nie jest zmianą kierunku jazdy w rozumieniu UPRD, chyba że znaki stanowią inaczej.
  • Jazda Prosto - oznacza w rozumieniu UPRD jazdę bez zmiany kierunku jazdy, niekoniecznie w linii prostej.
mp0011
 
Posty: 2472
Dołączył(a): poniedziałek 23 marca 2015, 01:15

Re: B-1 z dopiskiem. Czy dotyczy rowerzystów?

Postprzez szerszon » środa 03 stycznia 2018, 22:12

Tabliczka robiona chyba przez Pana Ministra Szyszkę.
szerszon
 
Posty: 16316
Dołączył(a): sobota 11 lipca 2009, 15:03

Re: B-1 z dopiskiem. Czy dotyczy rowerzystów?

Postprzez Cyryl » środa 03 stycznia 2018, 22:38

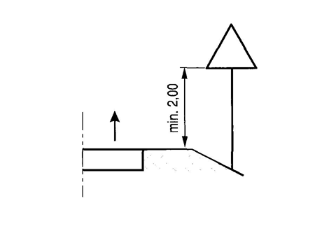
jest parę warunków jakie muszą być spełnione, aby znak był znakiem:
1. wielkość - minimalna wielkość znaków zakazu to 400mm,
2. wysokość umieszczenia minimum 2m nad podłożem,
3. odchylenie poziome tarczy znaku w kierunku drogi na odcinku prostym – 5 stopni,
4. znak B-1 jest okrągły,
jeżeli dodamy do tego wymagania co do kolorów, odblaskowości oraz to, że znak musi być zatwierdzony cechą, to w zasadzie 90% znaków ustawionych przy drogach można zanegować.
Załączniki
znak 14.jpg
cecha z nazwą producenta, deklaracją zgodności i datą produkcji
znak 13.jpg
umieszczenie cechy na znaku
znak 12.png
wielkości znaków
Cyryl
 
Posty: 2495
Dołączył(a): niedziela 01 stycznia 2017, 19:54
Lokalizacja: Wrocław

Re: B-1 z dopiskiem. Czy dotyczy rowerzystów?

Postprzez Cyryl » środa 03 stycznia 2018, 22:42

ponieważ można dodawać tylko 3 załączniki - nowy post z rozporządzenia w sprawie znaków i sygnałów na drodze.

jednak jeżeli ja jestem właścicielem lub zarządzającym terenu i umieszczę tablicę "zakaz wjazdu" pisaną, nie znak drogowy, to musi być ona przestrzegana, więc można ukarać za wjazd na teren, ale nie za niezastosowanie się do znaku.

ja w swoich spacerach rowerowych trafiłem na coś takiego:
Załączniki
znak 18.jpg
Wrocław lasek Rędziński
znak 16.png
wysokość umieszczenia znaku
znak 15.png
odchylenie poziome tarczy znaku
znak 15.png (8.75 KiB) Przeglądane 4224 razy
Cyryl
 
Posty: 2495
Dołączył(a): niedziela 01 stycznia 2017, 19:54
Lokalizacja: Wrocław

Re: B-1 z dopiskiem. Czy dotyczy rowerzystów?

Postprzez mp0011 » środa 03 stycznia 2018, 22:49

1. Warunki techniczne umieszczania znaków drogowych
1.1. Przepisy ogólne
Przepisy załącznika stosuje się do znaków drogowych pionowych umieszczanych na drogach twardych.


...a tam jest gruntowa. Ja bym się do tego znaku zastosował, ale zgodnie z dopiskiem: wywnioskowałbym, że złamaniem prawa jest wyłącznie wjazd samochodem. Paragraf 2.4 rozporządzenia o znakach:

Napis lub symbol umieszczony na tabliczce pod znakiem drogowym stanowi integralną część znaku.


P.S.
https://goo.gl/maps/gs5EiLy5rRC2
Ine miejsce, inna kombinacja: B-1 + C-13/16. Formalnie, trzymając się przepisów, oznacza to wyjazd z jednokierunkowej drogi rowerowej (choć formalniej byłoby z B-2). C-13 stosuje się po stronie z której nie ma wjazdu, żeby ostrzec pieszych o występowaniu rowerzystów (zwłaszcza jeżeli jest to znak z kreską pionową)...
  • Zakręt - jazda łukiem, niezależnie od jego promienia, nie jest zmianą kierunku jazdy w rozumieniu UPRD, chyba że znaki stanowią inaczej.
  • Jazda Prosto - oznacza w rozumieniu UPRD jazdę bez zmiany kierunku jazdy, niekoniecznie w linii prostej.
mp0011
 
Posty: 2472
Dołączył(a): poniedziałek 23 marca 2015, 01:15

Re: B-1 z dopiskiem. Czy dotyczy rowerzystów?

Postprzez LeszkoII » czwartek 04 stycznia 2018, 17:43

To nie jest znak drogowy tylko atrapa, z którymi często spotykamy się na bramach wjazdowych (emblemat znaku B-35 z napisem nie zastawiać).
Cyryl napisał(a):cecha z nazwą producenta, deklaracją zgodności i datą produkcji
Ciekaw jestem czy jakaś norma ze zbioru PN obejmuje produkt jakim jest znak drogowy.
szerszon napisał(a):Tabliczka robiona chyba przez Pana Ministra Szyszkę.
Tudzież "córkę leśniczego".
Avatar użytkownika
LeszkoII
 
Posty: 7756
Dołączył(a): niedziela 07 października 2012, 13:53

Re: B-1 z dopiskiem. Czy dotyczy rowerzystów?

Postprzez Cyryl » czwartek 04 stycznia 2018, 22:05

LeszkoII napisał(a):...Ciekaw jestem czy jakaś norma ze zbioru PN obejmuje produkt jakim jest znak drogowy...


PN-EN 12899-1:2010
Cyryl
 
Posty: 2495
Dołączył(a): niedziela 01 stycznia 2017, 19:54
Lokalizacja: Wrocław

Re: B-1 z dopiskiem. Czy dotyczy rowerzystów?

Postprzez LeszkoII » piątek 05 stycznia 2018, 00:18

Dzięki.
Wiem że jest coś takiego jak Komitet Normalizacyjny - jako quasi-urząd centralny (w sumie to jednostka państwowa na kształt komórki budżetowej przy Premierze).
Tylko dlaczego te normy są płatne... a może inaczej: PO CO są płatne? Chore to. Naukowcom niech płaci państwo no i wtedy normy będą POLSKIE. A tak to mało co różni je od patentów czy innych tworów własności intelektualnej/przemysłowej. Jednak z tych tworów nikt nie każe korzystać, co w przypadku norm taka zasada (wybiórczo bo wybiórczo) ale do tej pory chyba jeszcze funkcjonuje.

Swoją drogą, "pachnie mi to" czasami PRL i wczesne lata 90, kiedy warunki techniczne dla znaków i sygnałów można było... sobie KUPIĆ w postaci książki lub później pewna firma z Krakowa na literkę E miała z tego niezły biznes. Jak mawiał @Kopan: "wiedza tajemna" :lol: No i to samo było z testami na prawko tymi najnowszymi... ugięli się.
Avatar użytkownika
LeszkoII
 
Posty: 7756
Dołączył(a): niedziela 07 października 2012, 13:53


Powrót do Sytuacje na drodze

Kto przegląda forum

Użytkownicy przeglądający ten dział: Brak zidentyfikowanych użytkowników i 43 gości